
性能特點:
1、體積小、重量輕;
2、zui大流量40L/h,zui大壓力5Mpa;
3、適用于凈化污水處理、實驗室、化驗室。
技術參數:
|
型號規格 |
流量(L/h) |
壓力(Mpa) |
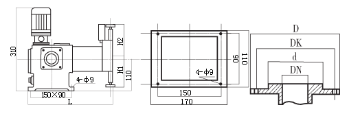
安裝尺寸(mm) |
||||||
|
DN |
D |
K |
d |
H1 |
H2 |
L |
|||
|
J-WM-0.3/5.0 |
0.3 |
5.0 |
3.5 |
75 |
50 |
33 |
142 |
182 |
|
|
J-WM-0.6/5.0 |
0.6 |
5.0 |
|||||||
|
J-WM-0.9/4.0 |
0.9 |
4.0 |
|||||||
|
J-WM-1.8/4.0 |
1.8 |
4.0 |
|||||||
|
J-WM-1.6/3.2 |
1.6 |
3.2 |
|||||||
|
J-WM-3.2/3.2 |
3.2 |
3.2 |
5 |
||||||
|
J-WM-2.8/2.5 |
2.8 |
2.5 |
|||||||
|
J-WM-5.6/2.5 |
5.6 |
2.5 |
|||||||
|
J-WM-4.0/1.6 |
4.0 |
1.6 |
7 |
||||||
|
J-WM-8.0/1.6 |
8.0 |
1.6 |
|||||||
|
J-WM-7.5/1.0 |
7.5 |
1.0 |
|||||||
|
J-WM-15/1.0 |
15 |
1.0 |
|||||||
|
J-WM-12/0.6 |
12 |
0.6 |
|||||||
|
J-WM-24/0.6 |
24 |
0.6 |
|||||||
|
J-WM-20/0.4 |
20 |
0.4 |
|||||||
|
J-WM-40/0.4 |
40 |
0.4 |
|||||||
電機功率:0.25KW 轉速:1400r/min
安裝尺寸(mm):
