
性能特點:
1、性能可靠、精度穩定;
2、手動行程長度調節機械鎖定;
3、傳動機構潤滑油全封閉,增強使用壽命;
應用:
1、污水處理、加礬、加酸、堿;
2、造紙過程加助劑,加絮凝劑;
3、紡織、印染行業、冶金,機械行業;
4、電力系統化水處理,爐水加藥。
選型代碼:

技術參數:
|
型號規格 |
流量(L/h) |
壓力(Mpa) |
安裝尺寸(mm) |
||||||
|
DN |
D |
K |
d |
H1 |
H2 |
L |
|||
|
JW-JM-26/1.0 |
26 |
1.0 |
7 |
|
|
|
122 |
122 |
|
|
JW-JM-52/1.0 |
52 |
1.0 |
|||||||
|
JW-JM-30/1.0 |
30 |
1.0 |
|||||||
|
JW-JM-60/1.0 |
60 |
1.0 |
|||||||
|
JW-JM-75/0.5 |
75 |
0.5 |
|||||||
|
JW-JM-150/0.5 |
150 |
0.5 |
|||||||
電機功率:0.25KW 轉速:1400r/min
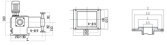
安裝尺寸(mm):
